

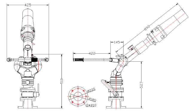
Ang Howo TX 4x2 7.5 cubic meter foam fire truck ay gumagamit ng Howo TX chassis na may 4700mm wheelbase. Nilagyan ito ng Weichai WP4.6NQ240E62 engine at Sinotruk HW95508STCL gearbox. Ang harap ng superstructure ay isang kahon ng kagamitan para sa pag-iimbak ng mga pantulong na kagamitan sa paglaban sa sunog. Ang gitnang seksyon ay naglalaman ng 5.5 cubic meter carbon steel water tank at 2 cubic meter stainless steel foam tank. Ang rear pump room ay nilagyan ng CB10/40-LC(BS) fire pump, control panel, firefighting equipment, PL8/32 fire monitor sa tank top, at dalawang European standard manholes.
Chassis ng trak:
HOWO TX, 4x2Kapasidad sa Paggawa:
5500L water +2000L foamKapangyarihan ng Makina:
240 HP/ WP4.6NQ240E62Bomba ng Bumbero:
China CB10/40-LC(BS)Daloy ng bomba:
40L/sPresyon sa Trabaho:
1.0 MpaMonitor ng Bumbero:
China PL8/32Subaybayan ang Daloy:
32 L/sSaklaw ng Monitor:
Water≥60 m,Foam≥48mAng Howo Model 6 wheeler Fire protection Vehicle ay isang fully functional na medium-sized na main battle fire truck, pinagsasama ang malakas na mobility, sapat na extinguishing agent reserves, at magkakaibang kakayahan sa labanan. Sa mga tuntunin ng kapangyarihan, nagtatampok ito ng Weichai engine na ipinares sa isang Sinotruk transmission, na nagbibigay ng malakas na kapangyarihan at mahusay na transmission.
Ang superstructure ay siyentipikong inilatag, na may isang kahon ng kagamitan sa harap para sa maayos na pag-iimbak ng iba't ibang kagamitan sa paglaban sa sunog; ang gitnang tangke ng tubig at tangke ng foam ay may mga kapasidad na imbakan na angkop para sa iba't ibang sitwasyon ng sunog; at ang rear pump room ay kumpleto sa gamit sa pangunahing kagamitan para sa madaling operasyon. Ang fire monitor sa tank top ay nagbibigay-daan sa malayo at tumpak na pagsugpo ng sunog, na epektibong tumutugon sa iba't ibang Class A at Class B na sunog.
» Ⅰ. Pangunahing Tampok:
★ 240 Hp malakas na makina, 100,000 Km walang problema.
★ HOWO bagong modelong TX cabin, European na disenyo
★ Man technology axle, lubhang angkop para sa AFRICA.
» Ⅱ. Parameter ng Produkto :
|
HOWO TX 4x2 foam water fire truck |
|||
|
Heneral |
Kapasidad ng trabaho |
5500L tangke ng tubig, 2000L foam tank |
|
|
Chassis ng trak |
HOWO TX240 |
||
|
Lakas ng Engine |
240 HP / WP4.6NQ240E62 |
||
|
bomba ng sunog |
CB10/40-LC(BS) |
||
|
Chassis |
Uri ng Drive |
4X2 |
|
|
Paghawa |
SINOTRUK HW95508STCL 8-speed , manual |
||
|
Wheelbase |
4700mm |
||
|
Gulong |
295/80R22.5 18PR,6+1wheel |
||
|
bomba ng sunog |
Modelo |
CB10/40-LC(BS) |
|
|
Presyon |
1MPa |
||
|
Pinakamataas na presyon ng pagtatrabaho |
1.380MPa |
||
|
Pinakamataas na pinapayagang presyon ng pumapasok |
0.4MPa |
||
|
Flux |
40L/s |
||
|
Pinakamataas na taas ng pagsipsip |
7m |
||
|
Na-rate na bilis |
3300r/min |
||
|
Ratio ng Bilis |
1:1.542 |
||
|
Foam Water Proportioning Mixer |
Modelo |
PH64-RS |
|
|
ratio ng paghahalo |
6% |
||
|
Saklaw ng presyon sa trabaho |
0.6 ~ 1.4MPa |
||
|
Saklaw ng daloy |
16 ~ 64L/s |
||
|
Angkop na mga kategorya ng foaming liquid |
Kategorya B |
||
|
Monitor ng sunog |
Modelo |
PL8/32 |
|
|
Daloy |
32L/s |
||
|
Na-rate na presyon ng trabaho |
0.8MPa |
||
|
Saklaw |
Tubig |
≥ 6 0m |
|
|
Foam |
≥ 48m |
||
|
Pag-ikot ng pitch |
- 45 ~ +70° |
||
|
Pahalang na pag-ikot |
0 ~ 360° |
||
|
Elektronikong alarma |
Elektronikong alarma |
LY CJB-100-C24 / 1.2 m ang haba |
|
|
Karaniwang pagsasaayos |
Lahat ng karaniwang accessories: Fire hose, filter, coupling, wrench, water/foam gun, basic tool kit, English manual…… |
||
Sistema ng Central Liquid Tank :
* Tangke ng Tubig: 5.5 metro kubiko ang volume, gawa sa carbon steel na may panloob na anti-corrosion treatment, na ginagamit upang hawakan ang tubig na panlaban sa sunog.
* Foam Tank: 2 cubic meters ang volume, na gawa sa hindi kinakalawang na asero na lumalaban sa kaagnasan, na ginagamit upang hawakan ang foam extinguishing agent.
* Kabuuang Liquid Capacity: 7.5 cubic meters ang kabuuang (tubig at foam solution), na may kakayahang mag-independiyente o pinagsamang foam firefighting operations.
» Ⅲ. Sistema ng Fire Pump:
|
Modelo ng bomba ng sunog |
Presyon |
Pinakamataas na presyon ng pagtatrabaho |
Flux |
Ratio ng Bilis |
|
CB10/40-LC(BS) |
1.0MPa |
1.380MPa |
40L/s |
1:1.542 |
Pinagsamang Control Panel: Ang disenyo ng panel ay madaling maunawaan at pinagsama ang:
• Illustrated Guide: Malinaw na ipinapahiwatig ang mga pamamaraan ng pagpapatakbo ng circuit ng tubig, pag-iingat, at diagram ng prinsipyo ng pagpapatakbo ng bomba ng sunog.
• Mga Instrumento sa Pagsubaybay: May kasamang pressure gauge, vacuum gauge, foam level gauge, water level gauge, tachometer, atbp., na nagpapakita ng operating status ng system sa real time.
• Mga Pindutan ng Operasyon: Mga control switch sa gitnang kinalalagyan para sa pangunahing switch ng kuryente, vacuum pump, level display, ilaw ng equipment box, atbp.
» Ⅲ. Sistema ng Fire Monitor:
| Modelo ng Fire Monitor | Daloy | Saklaw | Na-rate na Presyon | Pag-ikot ng Pitch | Pahalang na pag-ikot | Timbang |
| PL8/32 | 32L/s |
tubig ≥60m, foam ≥48m |
0.80MPa |
-45
°
~+70
°
|
0~360 ° | 23kg |
» Ⅳ . Teknikal na Disenyo:
POWERSTAR R & D Department para sa disenyo:
100% customized na hitsura, disenyo ng tubig + foam tanker capacity, fire fighting tools storage box, pati na rin ang buong laki ng trak ay maaaring ipasadya .
» Ⅵ .Preshippment Test:
Bago ihatid ang HOWO 4X2 7500L foam fire truck mula sa aming factory, nagsagawa kami ng factory inspection ng fire truck, na kinabibilangan ng rain testing, performance testing ng fire pump at fire monitor, pati na rin ang final inspection ng welding process, painting at iba pang aspeto.
» VII. Mga Application: